网站首页
关于我们
产品展示
荣誉资质
新闻资讯
联系我们
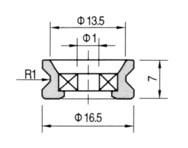
捻线导丝器
RY-6206
上一个:
没有资料
下一个:
RY-6205
苏州市凌润精密陶瓷科技有限公司
手 机:13706133573
电 话:0512-68419781
网 址:www.szlrjm.com
地 址:苏州市相城区北桥街道西庄浜路200号
电话咨询
产品展示
联系我们
首页